Bewegungssensor BW-07
Der Bewegungssensor BW-07 basiert auf der PIR-Überwachungstechnologie. Durch den integrierten Leitungsverstärker kann die Länge der Steuerleitung bis zum I/O-Modul oder 24V-Leistungsbaustein bis zu 100m betragen. Aufgrund seiner kleinen Bauform ist der Bewegungssensor leicht in Geräte oder Leuchten integrierbar.
Kurzer Überblick
- Erfassungsbereich 7,8m x 0,8m (in 1m Entfernung)
- Reichweite 5m
- ideal geeignet für Flure und schmale lange Räume
- sehr kompakte Bauform
- bis zu 100m Leitungslänge zum Eingangsmodul
Der Bewegungssensor ISYGLT BW-07 basiert auf der Passiv-Infrarot-Überwachungstechnologie. Hier werden über die kleine rechteckige Linse 88 Zonen strahlenförmig überwacht. Der Erfassungsbereich in 1m Entfernung beträgt 7,8m x 0,8m. Durch den integrierten Leitungsverstärker kann die Länge der Steuerleitung bis zum I/O-Modul oder 24V-Leistungsbaustein bis zu 100m betragen. Aufgrund seiner kleinen Bauform ist der Bewegungssensor leicht in Geräte oder Leuchten integrierbar.
Bitte fragen Sie bei Bedarf die Möglichkeiten für entsprechende Schalterprogramme der verschiedenen Hersteller an.
Elektrotechnische Daten
| Betriebsspannung | 12V bis 30V DC |
| Stromaufnahme | max. 10mA ohne Last |
| Ausgang | Vin -1.5V, 200mA kurzschlussfest PNP, max. 100m Leitungslänge zum Eingangsmodul |
| Anschluss | Federzugklemme 3-polig |
| Betriebstemperatur | -10°C bis +50°C |
| Lagertemperatur | -20°C bis +70°C |
| Luftfeuchte | 0-85% r.F. nicht kondensierend |
| Schutzart | IP20 |
Bauform, Abmessungen, Gewicht
| Bauform | weiße Kunststofflinse zum Einkleben in Geräte oder Leuchten |
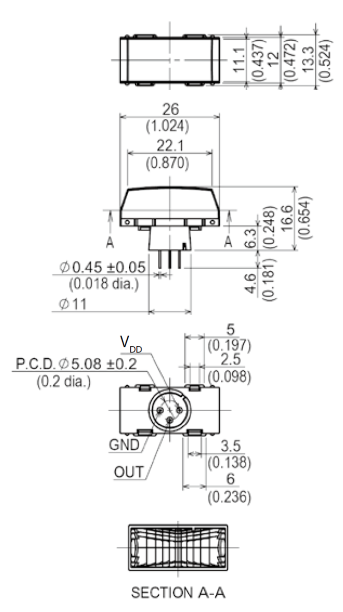
| Abmessungen | 26x11mm (nur Sensorkopf) |
| Gewicht | 11g ohne UP-Abdeckplatte |
Bestelldaten und Konformität
| Typenbezeichnung | BW-07 (nur Sensor, lose) |
| Artikelnummer | 80087184 |
| Fabrikat | ISYGLT |
| Konformität | CE |
LV-Texte
Gebrauchsanweisungen
Anschlusspläne
Infos zum Erfassungsbereich
Anschlussbelegung
3-poliger Anschluss
| Ub | Betriebsspannung |
| 0V | Betriebsspannung |
| OUT | Schalt-Ausgang |
Zubehör
- 80085032 ISYGLT - LSR-Ballschutzkorb zum Schutz des Sensors
Varianten
| Typenbezeichnung | Artikelnummer | Beschreibung |
|---|---|---|
| BW-07 | 80087184 | Bewegungssensor lose, ohne Gehäuse |
| BW-07-AP | 80087184-10 | Bewegungssensor eingebaut im AP-Gehäuse |
BW-07
Art.-Nr.: 80087184